Ballast Resistor Led Indicators

4pcs Decoding Resistor Led Indicator 50w Flash Rate Relay Turn Signal Load Resistor Bulbs Ballast

Led Tutorial Learn The Basics Bald Engineer

Ballast Resistor Working Uses Applications And Types


Subsea Led Indicator

When And Why Do Leds Need Current Limiting Resistors

Res15o25w Indicator Ballast Resistor Enables Led Lights To Be Fitted To Range Rover L322 Sport Discovery 3 And Freelander 2

Resistor For Led Resistor Guide

4pcs 12v 25w 6 8w Led Load Resistor Indicator Flash Rate

Electronic Flasher Relay Or Ballast Resistors Defender

50w 6ohm Led Ballast Resistors Fix Hyper Flash Canbus Bulb Out Error

Us 7 97 17 Off Autoutlet For 4 Pcs 50w 6 Omh Led Indicator Flash Rate Relay Load Resistor Bulbs Ballast Dc 12v Led Load Resistor For Car Bulbs In

How To Fix Hyperblinking Installing Resistors For Led Turn

Resistor For Led Resistor Guide

Justech 4 Pcs Dc 12v 50w Turn Signal Bulbs Ballast Led Load Resistor Led Indicator Flash Rate Relay Load Resistor Bulbs Ballast

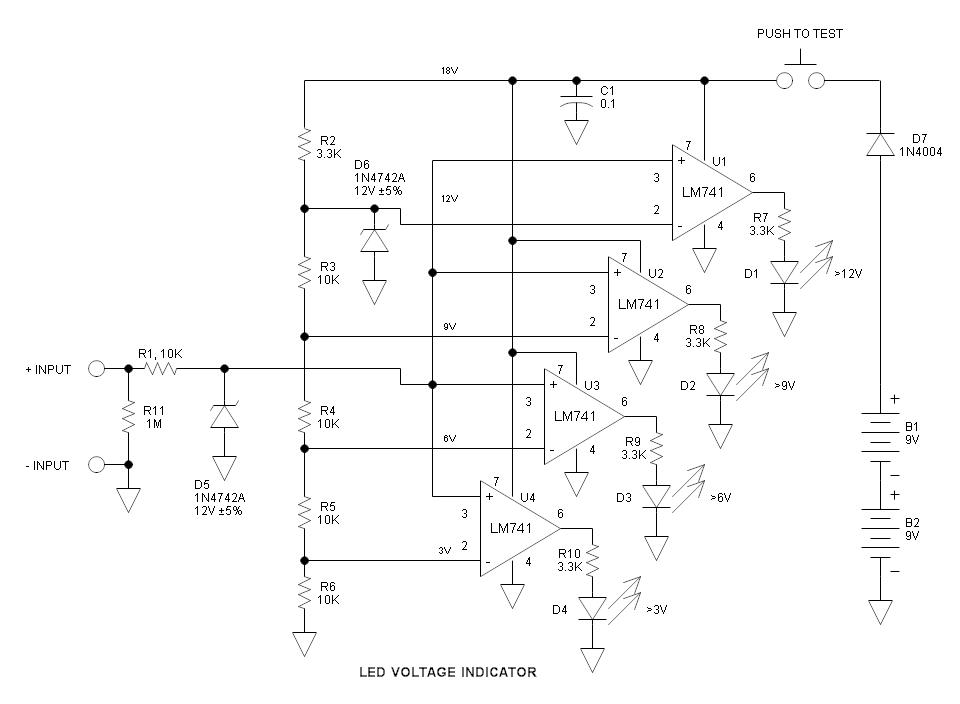
Led Dc Voltage Indicator
Comments
Post a Comment